您当前所在位置:
首页
>
政务公开
>
政府网站工作年度报表
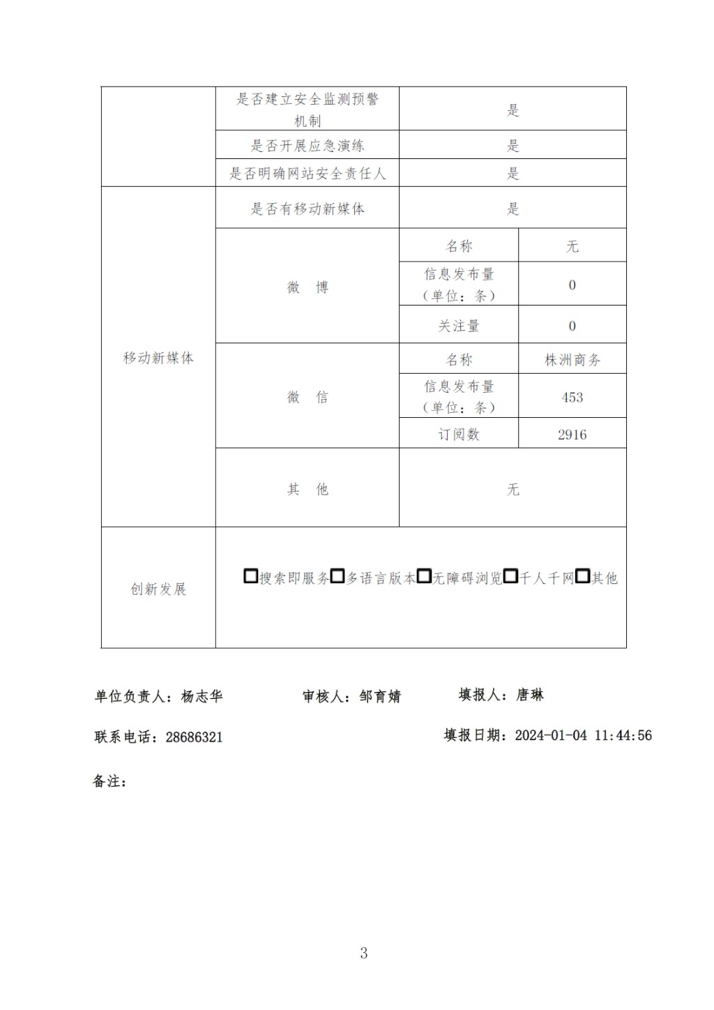
株洲市商务局2023年政府网站工作年度报表
发布日期:
2024-01-09
信息来源:
市商务局
责任编辑:
市商务局
分享至: